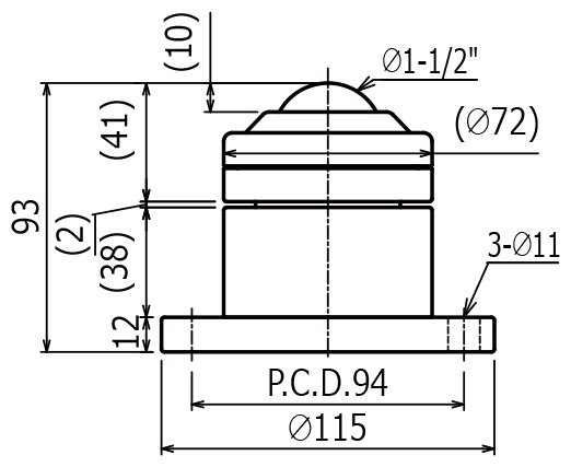
IS-10B
- ボールサイズ
- φ3/8" (9.53mm)
- 自重
- 0.12 kg
- 取付強さ
- 18 kgf (176 N)
- 最大強さ
- 24 kgf (235 N)
- 収縮量
- 2mm
- 本体
- SCM415
- メインボール
- SUJ2
- サブボール
- SUJ2
- キャップ
- SPC
- ケース
- S45C


ワーク形状の偏荷重に対して均一に荷重を受けられることが可能です。沈み込む機構を活かし、プレス機やインジェクションマシンなど金型のセッティング用に適しています。
• 取付強さ:スプリングの伸縮が始まる荷重になります。
• 最大強さ:スプリングで受けられる最大荷重になります。